AZ-EV Series: High-Precision Electronic Expansion Valve
The intelligent component that unlocks up to 20% more efficiency from your refrigeration system.
- Overview
- Recommended Products
Overview
Key Features

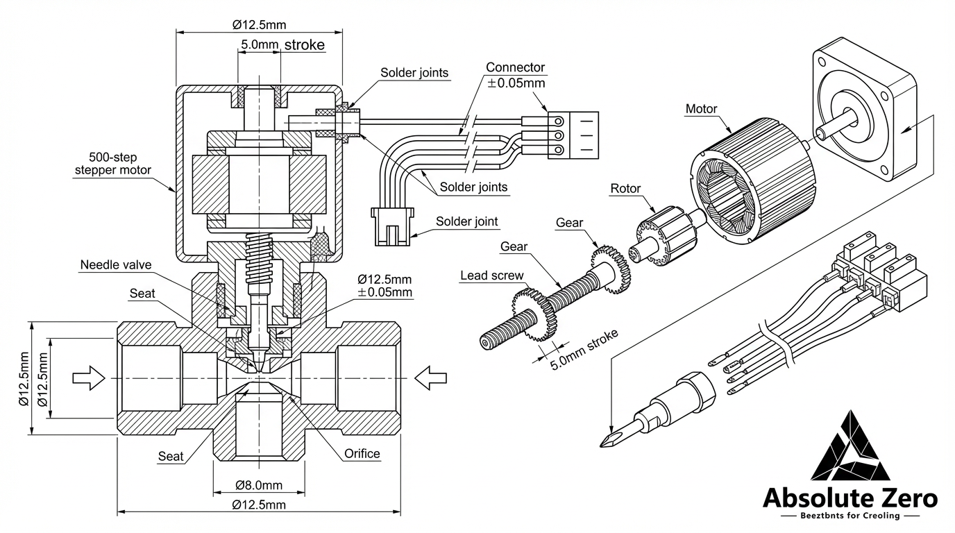
Technical Specifications
Feature |
Specification |
Model Series |
AZ-EV Series |
Capacity Range |
1 to 100 Tons of Refrigeration (TR) |
Control Steps |
500 Steps |
Max Operating Pressure |
4.5 MPa (650 psi) |
Connection Type |
Solder (ODF) |
Body Material |
Brass |
Certifications |
CE, UL |
Applications
Microsecond-Level Precision Control: Adopting German-imported stepper motors and Japanese sensors, the superheat control accuracy reaches ±0.5°C, ensuring the refrigeration system always operates at the optimal efficiency point and saves 15-20% more energy than traditional thermal expansion valves.
- Ultra-Long Service Life: The valve body is made of aviation-grade aluminum alloy with Teflon coating, featuring corrosion resistance and wear resistance. The stepper motor has undergone 100,000 fatigue tests, with a service life of more than 10 years.
- Intelligent Adaptive Algorithm: Built-in fuzzy control algorithm can automatically adjust the opening degree according to load changes without manual intervention, making it particularly suitable for application scenarios with large load fluctuations (such as data centers and injection molding machines).
- Full Refrigerant Compatibility: Compatible with all common refrigerants including R22, R410A, R134a, R407C, R404A, R507, as well as natural refrigerants like CO₂, meeting the requirements of environmental protection regulations.